Luminus Devices SBT-90 White Big Chip LEDs™

Luminus Devices SBT-90 White Big Chip LEDs™ are large, monolithic chips, each with a uniform emitting area of 9mm². These LEDs feature an extremely high optical output, a high thermal conductivity package, and Luminus Devices' proprietary Big Chip LEDs™ (PhlatLight®) technology, the name of which is derived from photonic lattice. Photonic lattice technology creates true surface emission from the source, which enables large area LED chips with uniform brightness over the entire LED chip surface. The optical power and brightness produced by these large monolithic chips enable solutions which replace arc and halogen lamps where arrays of traditional high power LEDs cannot.

Features

  • Extremely high optical output: Over 1800lm at 9.0A from a single chip (white)
  • High thermal conductivity package - junction to case thermal resistance of only 0.7ºC/W
  • Large, monolithic chip with a uniform emitting area of 9mm²
  • Unencapsulated die with low profile protective window optimizes optical coupling in etendue-limited applications
  • Lumen maintenance of greater than 70% after 70,000 hours
  • Environmentally friendly: RoHS compliant
  • Variable drive current: less than 1A through 9A to full reliability specifications
  • Electrically isolated thermal path

Applications

  • Fiber-coupled illumination
  • Architectural and entertainment lighting
  • Projection and micro-display based applications
  • High-brightness and large format LCD back-light units
  • Edge-illuminated lighting guides
  • High output, etendue-limited lighting applications

Thermal Resistance

Luminus Devices SBT-90 White Big Chip LEDs™

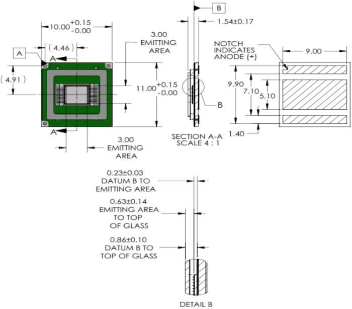
Mechanical Dimensions in mm

Luminus Devices SBT-90 White Big Chip LEDs™
View Results ( 4 ) Page
N.º de artículo Hoja de datos Longitud de onda/Color de temperatura Flujo luminoso/Flujo Radiante If - Corriente directa
SBR-90-R-R75-HK100 SBR-90-R-R75-HK100 Hoja de datos
SBR-90-R-R75-HK101 SBR-90-R-R75-HK101 Hoja de datos 620 nm 860 lm 13.5 A
SBR-90-WDLS-R71-NA150 SBR-90-WDLS-R71-NA150 Hoja de datos
SBR-90-WDLS-R71-NB150 SBR-90-WDLS-R71-NB150 Hoja de datos
Publicado: 2011-11-08 | Actualizado: 2022-03-11