Luminus Devices MP-7070 Mid Power LEDs

Luminus Devices MP-7070 Mid-Power LEDs are high-efficacy, low thermal resistance LEDs that offer mid-power in 70 and 80 Color Rendering Index (CRI). These mid-power LEDs are compatible with automatic placement equipment and the infrared reflow solder process. Typical applications of MP-7070 LEDs include outdoor lighting, entertainment lighting, architectural lighting, replacement lamps, downlights, and panel lighting.

Features

  • High efficacy
  • Low thermal resistance
  • Sulfur resistance for outdoor and horticulture applications (MP-7070-4600)
  • Compatible with automatic placement equipment
  • Compatible with infrared reflow solder process
  • RoHs and REACH compliant

Applications

  • Architectural lighting
  • MP-7070-4600:
    • Outdoor lighting
    • Entertainment lighting
  • MP-7070 -T200:
    • Replacement lamps
    • Downlights
    • Panel lighting

Specifications

Luminus Devices MP-7070 Mid Power LEDs

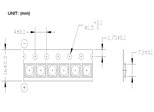
Dimension Diagram

Luminus Devices MP-7070 Mid Power LEDs
View Results ( 6 ) Page
N.º de artículo Color de iluminación Longitud de onda/Color de temperatura Flujo luminoso/Flujo Radiante Índice de rendimiento de color - CRI If - Corriente directa Vf - Tensión directa Régimen de potencia
MP-7070-4600-40-80 Neutral White 4000 K 1430 lm 80 700 mA 12 V 8.4 W
MP-7070-4600-65-70 Cool White 6500 K 1510 lm 70 700 mA 12 V 8.4 W
MP-7070-4600-40-70 Neutral White 4000 K 1510 lm 70 700 mA 12 V 8.4 W
MP-7070-4600-50-80 Cool White 5000 K 1430 lm 80 700 mA 12 V 8.4 W
MP-7070-T200-40-70 Neutral White 4000 K 1525 lm 70 240 mA 36 V 8.64 W
MP-7070-T200-40-80 Neutral White 4000 K 1445 lm 80 240 mA 36 V 8.64 W
Publicado: 2022-11-24 | Actualizado: 2024-07-29