Infineon Technologies MOTIX™ TLE9189 Gate Driver ICs

Infineon Technologies MOTIX™ TLE9189 Gate Driver ICs are 3-phase ICs designed for safety-critical applications for 12V brushless DC motors. These driver ICs feature AEC-Q100 Grade 0 and ISO 26262 compliance, making them ideal for brake-by-wire and steer-by-wire systems where conventional mechanical connections will be eliminated in the future. Additional features include a conventional motor control concept that consists of PWM input and integrated current sense amplifiers for accurate current sensing. Infineon Technologies MOTIX TLE9189 Gate Driver ICs include a unique adaptive MOSFET control function that can help improve EMC performance, achieve target switching time, and reduce power losses.

Features

  • High power 3-phase bridge driver for switching of 6 N-channel FETs with a QGtot of 200nC at a 20kHz PWM
  • Current source controlled output stages Gxx with adaptive MOSFET gate control
  • 0% to 100% duty cycle and adjustable without restrictions
  • 3 current sense amplifiers for low side shunt current measurement with a high accuracy of 1% and fast settle time of 1μs
  • Specified fully functional supply voltage range of 4.2V to 36V for a 12V battery supply systems
  • Configurable failure reactions, including motor brake function
  • Extended monitoring and diagnostic functions via serial peripheral interface (SPI)
  • Developed according to ISO 26262 ASIL-D
  • Additional safe state control pin SOFF_N
  • High-voltage-rated digital input and output pins
  • ISO 26262 Safety Element out of Context for safety requirements up to ASIL D
  • Safety barrier to microcontroller interface
  • SPI window watchdog for microcontroller supervision
  • Passive clamping of external FETs
  • Low quiescent current mode
  • Optimized pinout
  • Green product (RoHS compliant)
  • AEC qualified

Applications

  • Electric power steering (EPS)
  • Electric brake boosters (EBB)
  • Functional safety-related BLDC or PMSM motor drives

Videos

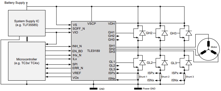
Block Diagram

Block Diagram - Infineon Technologies MOTIX™ TLE9189 Gate Driver ICs
Publicado: 2024-11-04 | Actualizado: 2025-09-26