Infineon Technologies IR2133/IR2135/IR2233/IR2235 Gate Driver ICs

Infineon Technologies IR2133/IR2135/IR2233/IR2235 Gate Driver ICs feature three independent high-side and low-side referenced output channels for 3-phase applications. The Gate Driver ICs have a proprietary HVIC technology that enables ruggedized monolithic construction. The IR2133/IR2135/IR2233/IR2235 ICs have logic inputs compatible with CMOS or LSTTL outputs down to 2.5V logic. Additionally, the devices provide an independent operational amplifier. This amplifier permits analog feedback of bridge current via an external current sense resistor.

The Infineon Technologies IR2133/IR2135/IR2233/IR2235 Gate Driver ICs have an available shutdown function to terminate all six outputs. The open-drain FAULT signal indicates an over-current or under-voltage shutdown has happened. The propagation delays are matched to simplify use in high-frequency applications. The floating channels can drive N-channel power MOSFETs or IGBTs in the high-side configuration, which operates up to 600V or 1200V.

Features

  • Floating channel designed for bootstrap operation
  • Fully operational to +600V or +1200V
  • Tolerant to negative transient voltage
  • dV/dt immune
  • Gate drive supply range from 10V/12V to 20VDC and up to 25V for transient
  • Undervoltage lockout for all channels
  • Over-current shutdown turns off all six drivers
  • Independent three half-bridge drivers
  • Matched propagation delay for all channels
  • 2.5V logic compatible
  • Outputs out of phase with inputs
  • All parts are also available LEAD-FREE

Applications

  • Home appliances
  • Motor control and drives
  • Robotics
  • Home and building automation
  • Power tools
  • 3D printers

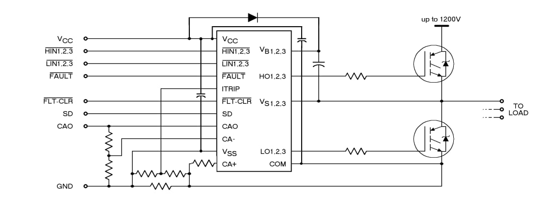
Typical Connection

Application Circuit Diagram - Infineon Technologies IR2133/IR2135/IR2233/IR2235 Gate Driver ICs

Functional Block Diagram

Block Diagram - Infineon Technologies IR2133/IR2135/IR2233/IR2235 Gate Driver ICs
Publicado: 2020-07-08 | Actualizado: 2024-11-04