iC-Haus iC-DL EVAL DL2D Evaluation Board
ZZZ-iC-Haus iC-DL EVAL DL2D Evaluation Board is designed for test purposes of a 3-channel differential line driver. This line driver is integrated with impedance adaptation for 30Ω to 140Ω lines. The 3-channel differential line driver comes in a QFN28 package.
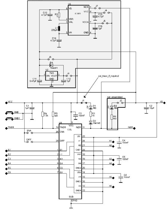
Circuit Diagram
Additional Resource
Publicado: 2025-11-20
| Actualizado: 2026-01-13
