E-Switch RT1105 Reverse Through-hole Mounted Tact Switches
E-Switch RT1105 Reverse Through-hole Mounted Tact Switches provide multiple gram force options identified by 160gf (red), 260gf (dark gray), and 350gf (blue) color actuators. These tact switches operate at -20°C to 85°C temperature range, 50mA contact rating at 12VDC, 250VAC dielectric strength for 1 minute, and 0.25mm travel. The RT1105 reverse through-hole mounted switches are available in tray packaging. These switches are used in applications such as audio/visual equipment, computer electronics, computer peripherals, telecommunication devices, medical equipment, and test/instrumentation equipment.Features
- Tray packaging
- Multiple gram force options:
- 160gf (red)
- 260gf (dark gray)
- 350gf (blue)
- 440mm actuator height
- 100,000 cycles electrical life
- Top actuated reverse through-hole mounted
Specifications
- 50mA, 12VDC contact rating
- 250VAC dielectric strength for 1 minute
- Up to 10ms bounce
- 100MΩ insulation resistance at 100VDC
- -20°C to 85°C operating temperature range
- SPST Off – (On) contact arrangements
- Up to 100mΩ initial contact resistance
Applications
- Audio/visual equipment
- Computer peripherals
- Computer electronics
- Medical equipment
- Test and instrumentation equipment
- Telecommunication devices
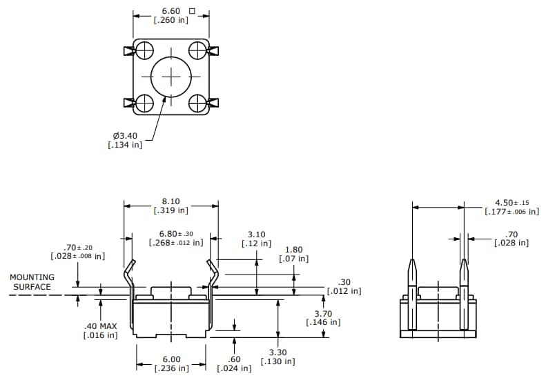
Dimensions Diagram
Videos
Publicado: 2021-09-17
| Actualizado: 2022-04-07
