e-peas AEM10300 Solar Energy Harvesting Battery Charger
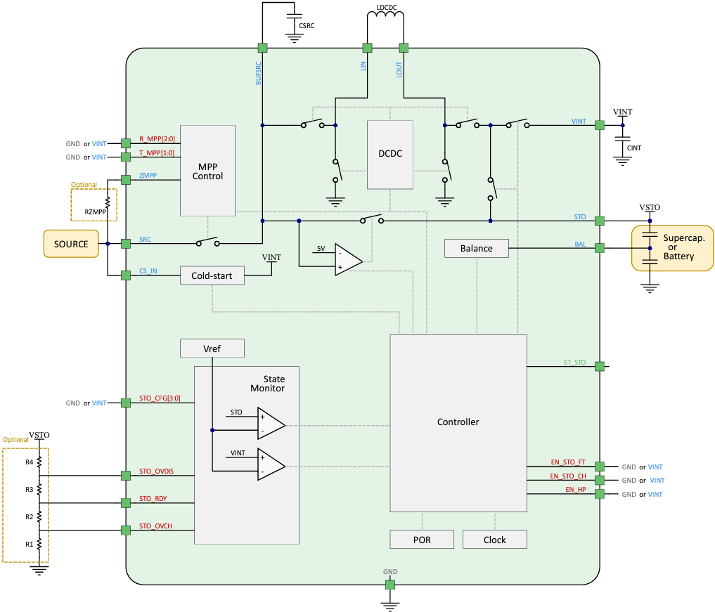
e-peas AEM10300 Solar Energy Harvesting Battery Charger is an integrated energy management circuit that extracts DC power from an ambient energy harvesting source. This AEM10300 battery charger extends the battery lifetime and eliminates the primary energy storage element in an extensive range of applications. The AEM10300 battery charger includes a Maximum Power Point Tracking (MPPT) system, which allows maximum energy extraction from the source. This battery charger integrates an ultra-low power DCDC converter with input voltages ranging from 100mV to 4.5V. Typical applications include asset tracking/monitoring, industrial, retail ESL/smart sensors, aftermarket automotive, and smart homes/buildings.Features
- Ultra-low power start-up:
- Cold start from 275mV input voltage and 3µW input power (typical)
- Very efficient energy extraction:
-
- Open-circuit voltage sensing for Maximum Power Point Tracking (MPPT)
- Selectable open-circuit voltage ratios from 60% to 90% or fixed impedance
- Programmable MPPT sensing period
- 100mV to 4.5V MPPT voltage operation range
- Adaptive and smart energy management:
- DCDC switches automatically between boost, buck-boost, and buck operation, according to input and output voltages, to maximize energy transfer
- Battery protection features:
- Selectable over-charge and over-discharge protection for any type of rechargeable battery or (super-) capacitor
- Fast super-capacitor charging
- Dual cell super-capacitor balancing circuit
- Small footprint and small BOM:
- Only three external components are required
- One 10µH inductor
- Two capacitors:
- One 10µF
- One 22µF
Applications
- Asset tracking/monitoring
- Industrial
- Retail ESL/smart sensors
- Aftermarket automotive
- Smart home/building
Schematic Diagram
Block Diagram
Publicado: 2023-09-29
| Actualizado: 2024-10-01
