Diodes Incorporated PCI Express (PCIe) Clock Generators

Diodes Incorporated PCI Express (PCIe) Clock Generators are low-power two-, four-, and eight-output PCIe generators with on-chip termination. These clock generators use a 25MHz crystal or CMOS reference input to provide multiple 100MHz outputs with on-chip terminations. The PCIe clock generators have an additional buffered reference output that serves as a low noise reference for other circuitry. Diodes Incorporated clock generators provide various options like a different slew rate and amplitude through strapping pins or SMBUS. This allows users to configure the device easily to optimize individual boards' performance. These devices also support selectable spread spectrum options to reduce EMI for various applications.

Features

  • Crystal/CMOS input of 25MHz
  • 2, 4, and 8 differential low-power HCSL outputs with on-chip termination
  • Individual output enable
  • Reference CMOS output
  • Programmable slew rate and output amplitude for each output
  • Differential outputs are blocked until Phase-Locked-Loop (PLL) is locked
  • Selectable 0%, -0.25%, or -0.5% spread on differential outputs
  • Strapping pins or SMBus for configuration
  • 3.3V tolerant SMBus interface support
  • 1.5V Supply voltage
  • Very low jitter outputs:
    • Less than 50ps differential cycle-to-cycle jitter
    • Less than 60ps differential output-to-output skew
    • PCIe Gen1/Gen2/Gen3/ Gen4 compliant
    • Less than 1.5ps RMS CMOS REFOUT phase jitter
  • 48-lead 6mm x 6mm TQFN Package

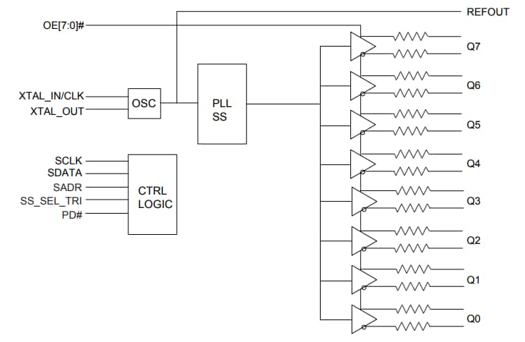
Block Diagram

Block Diagram - Diodes Incorporated PCI Express (PCIe) Clock Generators
View Results ( 4 ) Page
N.º de artículo Hoja de datos Número de salidas Tipo de salida Corriente de suministro operativa Paquete / Cubierta
PI6CG18201ZDIEX PI6CG18201ZDIEX Hoja de datos 2 Output HCSL 15 mA TQFN-24
PI6CG18801ZLIEX PI6CG18801ZLIEX Hoja de datos 8 Output CMOS 5 mA TQFN-48
PI6CG15401ZHIEX PI6CG15401ZHIEX Hoja de datos 4 Output HCSL 21 mA TQFN-32
PI6CG18200ZDIEX PI6CG18200ZDIEX Hoja de datos 2 Output CMOS, HCSL 15 mA TQFN-24
Publicado: 2018-08-31 | Actualizado: 2022-09-30