Diodes Incorporated AL3644 Camera Flash LED Drivers

Diodes Incorporated AL3644 Camera Flash LED Drivers are dual LED flash drivers that provide a high level of adjustability within a small solution size. These Diodes Incorporated drivers utilize a 2MHz or 4MHz fixed-frequency synchronous boost converter to power the dual 1.5A constant current LED sources. These current sources also offer the flexibility to adjust the current ratios between LED1 and LED2. The AL3644 LED drivers feature a hardware torch, flash pins (TORCH/TEMP and STROBE), an NTC thermistor monitor, and a TX interrupt. These LED drivers offer independently programmable currents in each output leg to drive the LEDs in flash or movie mode (torch) conditions. The AL3644 LED drivers are RoHS compliant and operate over -40°C to 85°C. These LED drivers are ideal for camera phones with white LED flash.

Features

  • Dual independent 1.5A LED current source programmability
  • Accurate and programmable LED current ranges from 1.4mA to 1.5A
  • Torch currents up to 360mA (AL3644TT)
  • Flash timeout values up to 1.6 seconds (AL3644TT)
  • Optimized flash LED current during low battery conditions (input voltage flash monitor)
  • >85% efficiency in torch mode (at 100mA) and flash mode (at 1A to 1.5A)
  • Grounded cathode LED operation for improved thermal management
  • <16mm2 small solution size
  • Hardware strobe enable (STROBE)
  • Synchronization input for RF power amplifier pulse events (TX)
  • Hardware torch enable (TORCH/TEMP)
  • Remote NTC monitoring (TORCH/TEMP)
  • 400kHz I2C compatible interface – AL3644 (I2C address = 0x63)
  • Lead-free and RoHS compliant
  • Halogen and Antimony free

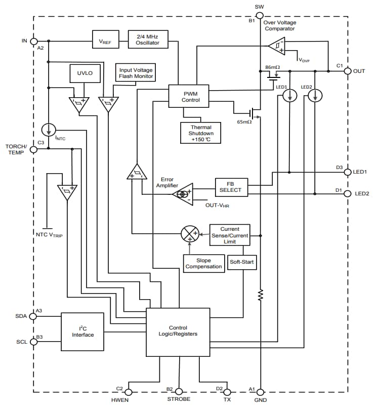
Block Diagram

Block Diagram - Diodes Incorporated AL3644 Camera Flash LED Drivers

Typical Application Circuit

Application Circuit Diagram - Diodes Incorporated AL3644 Camera Flash LED Drivers
Publicado: 2019-09-30 | Actualizado: 2023-08-01