CUI Inc Novum® NEB-D DC-DC Converter

CUI Novum® NEB-D is a series of 1/8th brick intermediate bus DC-DC Converters with advanced digital control. A 32-bit ARM-based microcontroller and power-optimizing firmware maximizes efficiency and provides peak performance over a wide range of loading conditions. The fully regulated NEB-D series offers configurable power management features via PMBus. Configurable features include output voltage, fault management, and soft start/stop. This series is pin and function compatible with Architects of Modern Power™ (AMP Group) product standards. 

Features

  • Configurable soft start/stop
  • Precision delay and ramp-up
  • Pin and function compatible with Architects of Modern Power™ product standards
  • Voltage margining
  • Voltage/current/temperature monitoring
  • Droop load sharing with 10% current share accuracy
  • Fast feed-forward regulation to manage line transientsConfigurable output voltage
  • Optional baseplate for high-temperature applications
  • Configurable fault response
  • Power good

Specifications

  • Eighth-brick package digital PMBus interface 58.4 x 22.7 x 10.2mm (2.299 x 0.894 x 0.402in)
  • Industry standard 5-pins for intermediate bus architectures
  • Industry-leading power density for telecom and datacom 129~147W / sq. in
  • High efficiency 95.2% (typical) at half load, 12Vout
  • Fully regulated advanced bus converter from 36~75Vin
  • 2250Vdc input to output isolation
  • PMBus Revision 1.2 compliant
  • 2.9 million hours MTBF
  • ISO 9001/14001 certified supplier

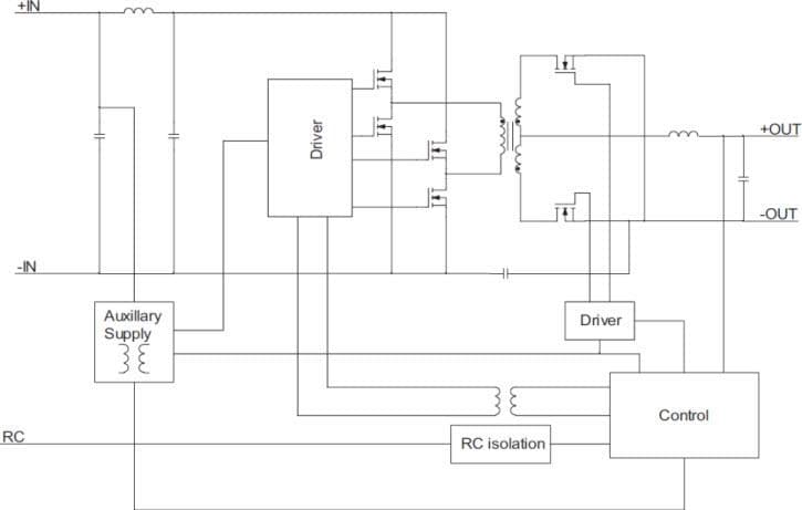
Application Circuit

CUI Inc Novum® NEB-D DC-DC Converter
Publicado: 2015-02-23 | Actualizado: 2022-03-11