CML Micro CMX998 Cartesian Feedback Loop Transmitter

CML Micro CMX998 Cartesian Feedback Loop Transmitter is designed to improve the efficiency and linearity of transmitters for non-constant envelope modulation systems. Acting as a direct conversion quadrature mixer from I and Q to RF output, the CMX998 provides the capability to linearize the Power Amplifier (PA) via feedback from the PA output. The CMX998 features forward and feedback paths, local oscillator circuitry including loop phase control, an integrated instability detector, and uncommitted op-amps for input signal conditioning.

Features

  • 30MHz to 1GHz frequency range
  • ‑148dBc/Hz wideband noise
  • C-BUS (SPI compatible) serial interface
  • Gain control, error amplifier
  • Up-converter forward path
  • Down-converter for feedback linearization
  • 360° loop phase shift control
  • DC offset measurement output
  • Open-loop function, instability detector
  • Linearisation gains of 30dB or more is achievable
  • Flexible digital interface

Applications

  • TETRA/TETRA2 terminals
  • APCO P25 Phase 2
  • Software Defined Radio (SDR)
  • Aviation systems
  • Mobile satellite terminals
  • QPSK, pi/4 DQPSK, 8PSK, QAM, OFDM, and F4FM linear modulation schemes

Videos

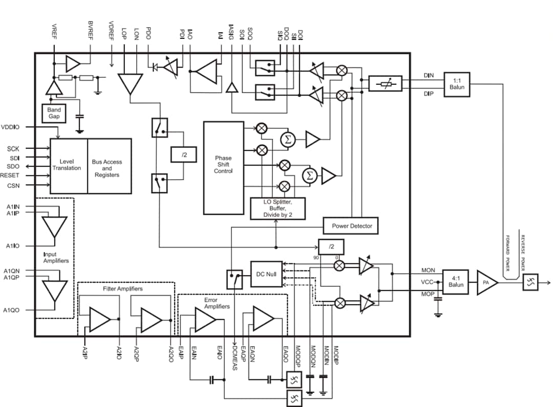
Block Diagram

Block Diagram - CML Micro CMX998 Cartesian Feedback Loop Transmitter
Publicado: 2019-11-19 | Actualizado: 2023-07-31