Cincon CQB75-300S Isolated DC-DC Converters

Cincon CQB75-300S Isolated DC-DC Converters offer efficiency up to 90% and 75W output power at a single-output voltage range of 5V to 48V. The CQB75-300 series features an optional heat sink to extend the full power range of the unit. The DC-DC converters are fully protected against input undervoltage lockout (UVLO), output overcurrent, output overvoltage, overtemperature, and continuous short-circuit conditions. Cincon CQB75-300S DC-DC converters offer a fixed switching frequency and can operate up to an altitude of 3000m. These converters operate within a -40°C to +105°C temperature range and 180V to 450V supply voltage range. Typical applications include distributed power architectures, telecommunications, servers, base stations, battery-operated equipment, and industrial.

Features

  • 90% efficiency
  • Fixed switching frequency
  • Regulated outputs
  • Remote on/off
  • Low no-load power consumption
  • Fully protected (OTP/OCP/OVP/UVLO)
  • Quarter-brick size meets industrial-standard size (2.28" x 1.45" x 0.5")
  • Safety meets IEC/EN/UL 62368-1 2nd (reinforced insulation)
  • Shock and vibration MIL-STD 810F compliant
  • Fire and smoke EN45545 compliant

Applications

  • Power architectures
  • Telecommunications
  • Servers
  • Base stations
  • Battery-operated equipment
  • Industrial

Specifications

  • 3000VAC I/O isolation
  • 3000m operating altitude
  • 180V to 450V supply voltage range
  • -40°C to +105°C operating temperature range

Pin Diagram

Schematic - Cincon CQB75-300S Isolated DC-DC Converters

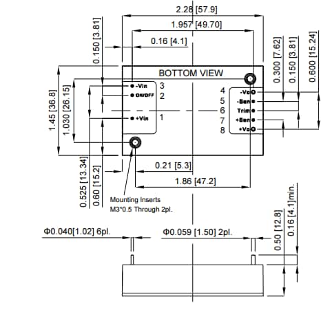
Mechanical Specification

Mechanical Drawing - Cincon CQB75-300S Isolated DC-DC Converters
Publicado: 2020-12-27 | Actualizado: 2024-04-08