Broadcom AEAT-901B Incremental Magnetic Encoders
Broadcom AEAT-901B Incremental Magnetic Encoders provide an integrated solution for angular detection within a complete 360° rotation. These encoders use magnetic technology for motion control and sensing activities, which helps eliminate mechanical contact and free the device from mechanical wear and tear. The AEAT-901B magnetic encoders feature 256 to 10,000 Cycles Per Revolution (CPR) resolution, a -40°C to 125°C operating wide temperature range, and a 5V single supply. These magnetic encoders also feature a 3-channel output that provides an additional index channel for every full rotation or revolution of 360°. The AEAT-901B magnetic encoders support direct connectivity through cable output and are easy to assemble without any signal adjustment. These magnetic encoders are RoHS-compliant and ideal for speed detection, knob control, and rotary encoder.Features
- Resolution of 256 to 10,000 Cycles Per Revolution (CPR)
- Contactless sensing technology
- -40°C to 125°C wide temperature range
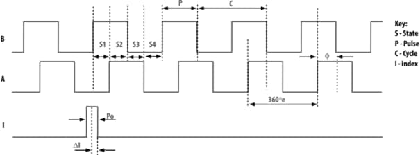
- 3-channel output
- Single 5V supply
- Easy assembly and no signal adjustment required
- Direct connectivity through cable output
- RoHS compliant
Applications
- Speed detection
- Knob control
- Rotary encoder
Dimension Diagram
Encoding Characteristic
Publicado: 2024-09-05
| Actualizado: 2025-03-13
