Bourns RSK Riedon™ Precision Current Shunt Resistor
Bourns RSK Riedon™ Precision Current Shunt Resistor provides a rugged and accurate measurement for a wide current range. The resistor features a center-mounted voltage tap to simplify connection to ammeters and a Manganin™ resistive element to achieve low resistance values. The RSK series offers a compact design for space-constrained applications requiring high current ratings, and calibration certificates are available. The Bourns RSK Riedon Precision Current Shunt Resistor is ideal for various power applications, including industrial power supplies, uninterruptible power supply (UPS) systems, and power conversion.Features
- Former Riedon product
- Manganin resistive element
- Center-mounted voltage taps
- High-current ratings
- Low resistance values
- 0.25% tolerance rating
- Calibration certificates available
- Compact design for space-constrained applications
- UL listed, RoHS compliant
Applications
- Industrial power supplies
- UPS systems
- Power conversion
Specifications
- 1000A to 3000A rated current range
- 667A to 2000A operating current range
- 50mV or 100mV rated output ratings
- 16.67μΩ to 50μΩ resistance range at 50mV output
- 33.33μΩ to 100μΩ resistance range at 100mV output
- 15ppm to 20ppm TCR
- -40°C to +70°C operating temperature range
- -55°C to +80°C storage temperature range
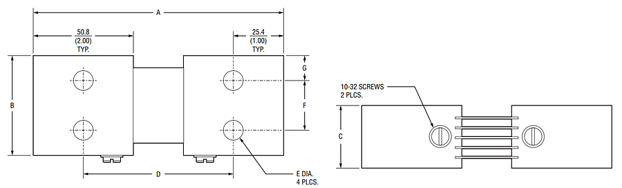
Mechanical Drawing
Publicado: 2024-08-26
| Actualizado: 2024-08-26
