Bourns HCT AEC-Q200 Compliant Power Transformers

Bourns HCT AEC-Q200 Compliant Power Transformers are high clearance and creepage distance transformers built with a ferrite toroid core for high coupling factor and efficiency. The transformers feature reinforced isolation, 8mm minimum clearance/creepage distance, and 5kV withstanding voltage to provide an elevated degree of isolation from high-voltage hazards. Bourns HCT AEC-Q200 Compliant Power Transformers are designed for isolation power supplies using Texas Instruments SN6501 and SN6505B transformer drivers. The series complies with IEC 60950-1, IEC 62368-1, IEC 60664-1, and automotive AEC-Q200 standards.

Features

  • AEC-Q200 compliant
  • Toroid core for high coupling and low radiation
  • Reinforced insulation for working voltage of 800V
  • Complies with IEC 60950-1, IEC 62368-1, and IEC 60664-1
  • Designed for isolation power supplies using TI SN6501 and SN6505B
  • Available in tape and reel (-E)
  • RoHS compliant

Applications

  • Automotive battery management systems (BMS)
  • Automotive gate drivers
  • RS485
  • CAN interfaces
  • Digital input modules
  • RS323 isolation

Specifications

  • 3.3V to 5V input voltage
  • 3.3V to 15V rated voltage
  • 350mA AC rated current
  • 250µH to 350µH minimum primary inductance at 100kHz
  • 0.6µH to 1.8µH leakage inductance at 100kHz
  • -40°C to +125°C operating temperature range

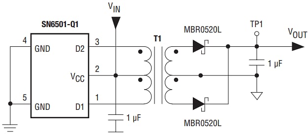
Application Circuit

Application Circuit Diagram - Bourns HCT AEC-Q200 Compliant Power Transformers

Block Diagram

Block Diagram - Bourns HCT AEC-Q200 Compliant Power Transformers
Publicado: 2020-01-21 | Actualizado: 2026-02-23