Signal Transformer / Bel Printed Circuit Mount Power Transformers

Signal Transformer Printed Circuit Mount Power Transformers operate between a frequency range of 50Hz and 500Hz without degradation in the output voltage. These transformers feature single or dual primaries. The printed circuit mount power transformers offer a dielectric strength of 1500Vrms and a class B insulation system. These transformers are available as PC/DPC variants with two outputs and MPC/DMPC variants with two center tap outputs. The printed circuit mount power transformers are UL recognized to UL 506/ UL 5058-2, file #E63829 and CSA certified to C22.2 #66.1, file #221070.

Features

  • PC/DPC
    • 1.0VA to 24VA power rating
    • 1500Vrms Hipot dielectric strength
    • 115V or 115/230V, 50-500Hz single or dual primaries
    • Series or parallel dual secondaries
    • Class B, +130°C, UL 1446 E66312 insulation system
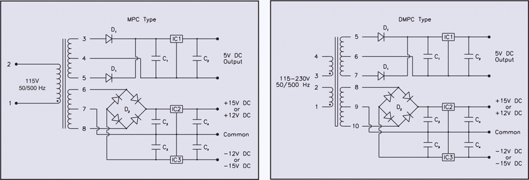
  • MPC/DMPC
    • 10VA and 24VA power rating
    • 1500Vrms Hipot dielectric strength
    • 115V or 115/230V, 50Hz to 500Hz single or dual primaries
    • Dual complementary outputs, 5VDC with ±12VDC or 5VDC with ±15VDC
    • Class B, +130°C, UL 1446 E66312 insulation system

MPC/DMPC Circuit Diagram

Signal Transformer / Bel Printed Circuit Mount Power Transformers

PC/DPC Circuit Diagram

Signal Transformer / Bel Printed Circuit Mount Power Transformers
Publicado: 2018-01-05 | Actualizado: 2022-10-19