Banner Engineering EG24 Precision Edge Sensors

Banner Engineering EG24 Precision Edge Sensors accurately track and measure targets within a 24mm wide field of view, which is ideal for edge web alignment and small part detection. The sensors feature single-edge and double-edge configurable tracking modes to precisely track edges across various moving materials, including different opacities and textures. The EG24 series provides a 40mm sensing range, a <10μm resolution, and a 2kHz measurement frequency to monitor edge movement to maximize process control and reduce material waste. The Banner Engineering EG24 Precision Edge Sensors have a 4-pin M8 connector and are suitable for Class II power supply (UL) or limited power supply (CE).

Features

  • High-resolution measurement
  • Ensures properly positioned material to improve quality and yield
  • Monitors edge movement to maximize process control and reduce material waste
  • Wide sensing beam
  • Various measurement modes
  • Single-edge
  • Double-edge

Applications

  • Web alignment
  • Small part detection
  • Width measurement

Specifications

  • 10VDC to 30VDC supply voltage range
  • 0.75W power consumption
  • 4mA to 20mA output current range
  • 24mm sensing beam (allows for variation in target presentation)
  • 40mm sensing range (same resolution at any distance)
  • 4-pin M8 connector
  • <10μm resolution
  • 2kHz measurement frequency
  • Suitable for Class II power supply (UL) or limited power supply (CE)

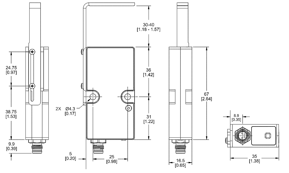
Dimensions (mm)

Chart - Banner Engineering EG24 Precision Edge Sensors

Videos

Publicado: 2024-04-24 | Actualizado: 2024-12-04