Analog Devices / Maxim Integrated MAX77950EVKIT Evaluation Kit

Analog Devices MAX77950EVKIT Evaluation Kit provides 12W of output power and uses multiple test points to measure output, rectifier output, and an AC voltage. The MAX77950EVKIT meets the specification requirements for WPC low-power (v1.2) and PMA SR1 (v2.0) communication protocols. The Analog Devices MAX77950EVKIT operates using near-field magnetic induction when coupled with WPC or PMA transmitters. The kit includes a planar coil to receive or transmit power wirelessly and Windows®-based software that provides a Graphical User Interface (GUI). Other features include a proven PCB layout, LED indication to monitor operation, and is RoHS compliant.

Features

  • Ready-to-Go EV kit with a receiver coil
  • Multiple test points to measure Output Voltage (VOUT), Rectifier Output Voltage (VRECT), and AC Voltage
  • Graphical User Interface (GUI) software for the multifunction test
  • LED indication to monitor operation
  • RoHS Compliant
  • Proven PCB layout
  • Fully assembled and tested

Kit Contents

  • Wireless power transmitter with WPC/PMA compliance
  • Micro-USB cable
  • Digital Multimeter (DVM)
  • Windows-based PC
  • Optional: DC power supply and electronic load

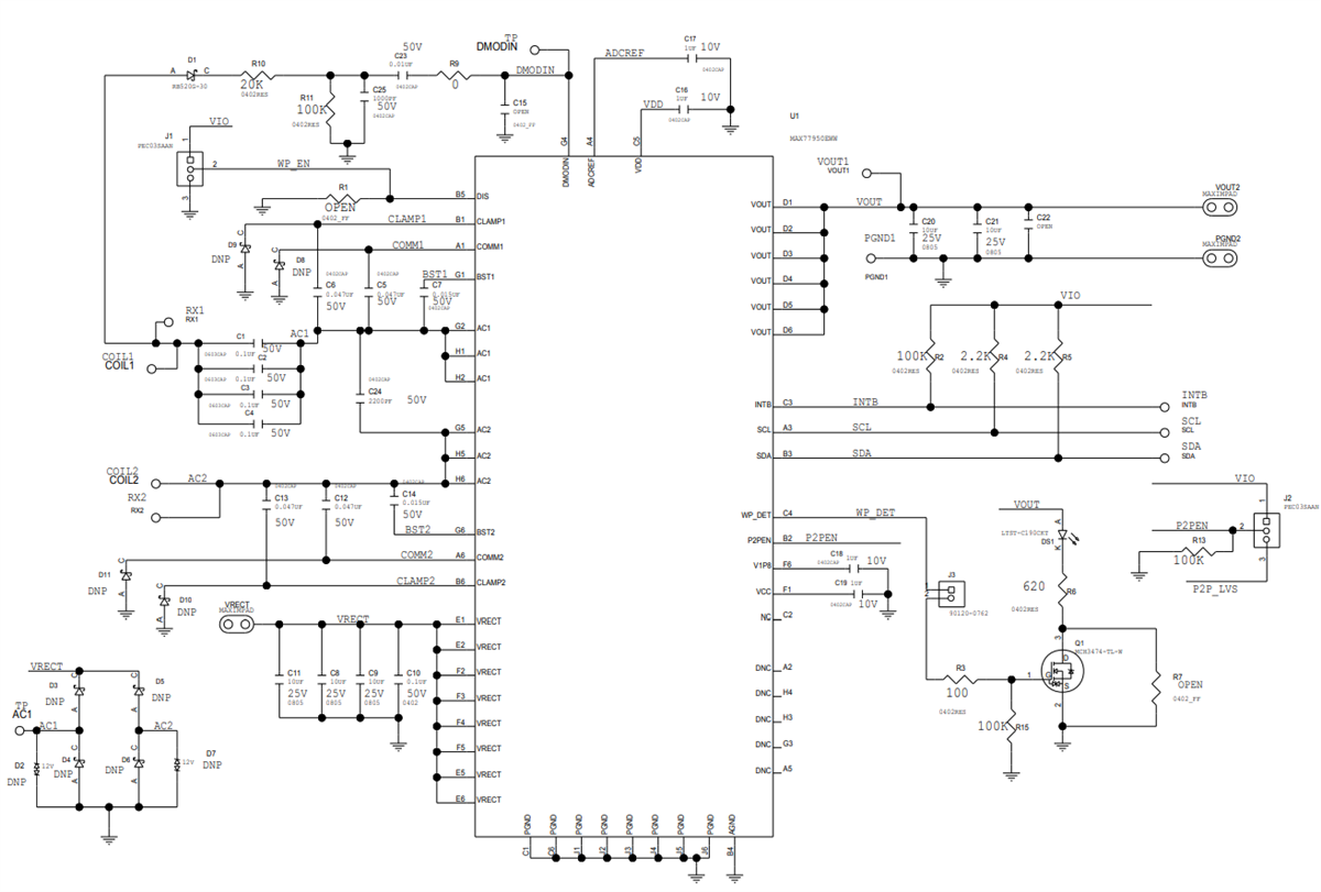
MAX77950 Evaluation Kit Schematic

Schematic - Analog Devices / Maxim Integrated MAX77950EVKIT Evaluation Kit
Publicado: 2017-09-20 | Actualizado: 2023-04-14