Analog Devices / Maxim Integrated MAX77501EVKIT Evaluation Kit for the MAX77501
Analog Devices MAX77501EVKIT Evaluation Kit for the MAX77501 is a fully assembled and tested printed circuit board (PCB). The kit demonstrates the MAX77501 piezo driver. This Analog Devices kit allows for easy evaluation of the MAX77501 and its ability to drive a large haptic signal through a ceramic piezo actuator.Features
- Easy to use
- GUI drives SPI interface
- Access to the digital engine through software GUI
- Assembled and fully tested
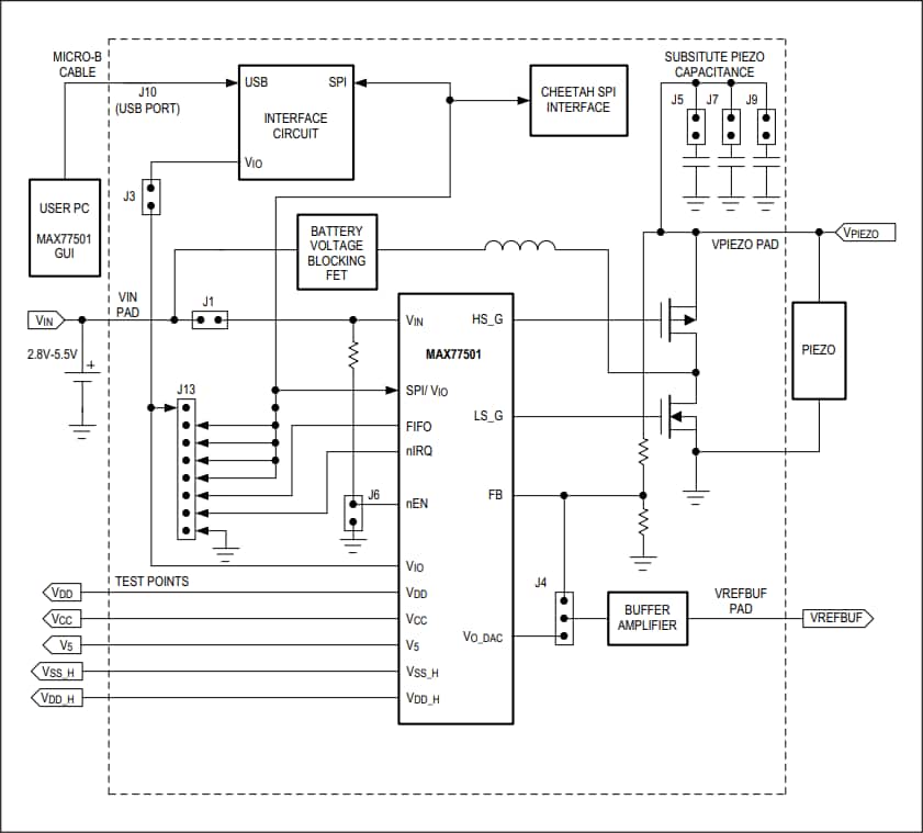
- Selectable headers for quick testing of different output capacitors (J7 for 330nF, J9 for 680nF, or J5 for 1µF)
- Buffer-configured operational amplifier attached to feedback of converter for measuring a scaled-down version of the output voltage or the output of the DAC
- Test points to measure all outputs of the boost converter and charge pumps
- Haptic/tactile feedback enabled equipment
- Keyboard, mice, remote controls, and peripherals
- Smartphones, tablets/E-readers, game consoles
Block Diagram
Publicado: 2022-03-28
| Actualizado: 2023-04-17
