Analog Devices Inc. MAX15158/MAX15158A Multiphase Boost Controllers
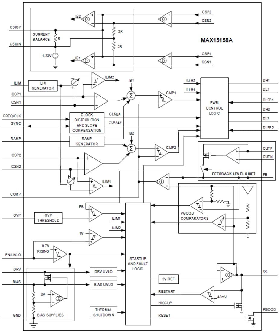
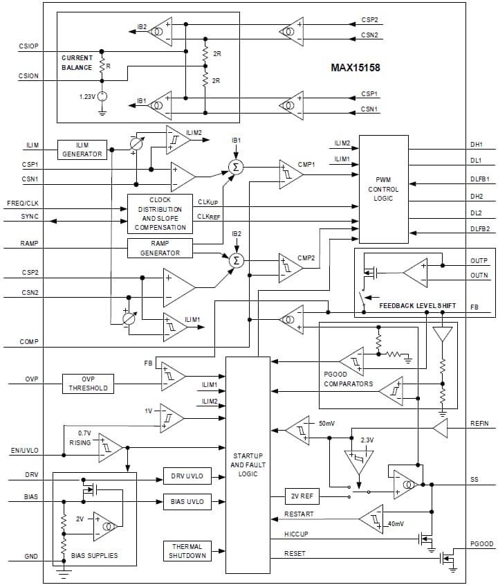
Analog Devices Inc. MAX15158/MAX15158A High-Voltage Multiphase Boost Controllers are designed to support up to two MOSFET drivers and four external MOSFETs in single-phase or dual-phase boost/inverting-buck-boost configurations. Two devices can be stacked up for quad-phase operation. The output voltage of the MAX15158 can be dynamically set through the 1V to 2.2V reference input (REFIN), for modular design support. For the MAX15158A, the REFIN pin is removed, and the internal 2.0V reference voltage is selected by default. The switching frequency is controlled either through an external resistor setting the internal oscillator or by synchronizing the regulator to an external clock. The devices are designed to support 120kHz to 1MHz switching frequencies. The controllers have a dedicated enable/input undervoltage-lockout (EN/UVLO) pin to configure for flexible power sequencing.MAX15158/MAX15158A has a dedicated RAMP pin to adjust internal slope compensation. The devices feature adjustable overcurrent protection. The devices incorporate current sense amplifiers to accurately measure the current of each phase across external sense resistors to implement accurate phase current sharing. The controllers are also protected against output overvoltage, input undervoltage, and thermal shutdown. The devices are available in a 5mm x 5mm, 32-pin TQFN package and support a -40°C to +125°C junction temperature range.
Features
- Wide operating range
- 8V to 76V input voltage range for boost configuration and -8V to -76V input voltage range for inverting-buck-boost configuration
- 3.3V to 60V output voltage range on the top of input voltage
- 120kHz to 1MHz switching frequency range
- -40°C to +125°C temperature range
- Single/dual/quad-phase operation
- Active phase current balance control
- Integration reduces design footprint
- Internal LDO for bias supply generation
- Multiphase multiple controller synchronization and interleaving
- Output voltage sense level shifter
- Robust fault protection improves quality and reliability
- Adjustable input undervoltage lockout
- Adjustable cycle-by-cycle peak current limit and fast overcurrent protection
- Selectable feedback overvoltage protection
- Thermal shutdown
- Flexible and simple system design
- Adjustable slope compensation
- Low-side MOSFET gate monitoring for accurate current sensing
- Discontinuous-conduction-mode operation is supported when using a diode in place of the high-side MOSFET
- Small 5mm x 5mm TQFN package, 0.5mm pitch
Applications
- Communication
- Industrial
- Automotive
- Multiphase boost
MAX15158 Block Diagram
MAX15158A Block Diagram
Publicado: 2020-04-03
| Actualizado: 2024-05-08
