Analog Devices / Maxim Integrated MAX14915 Octal High-Side Switch with Diagnostics
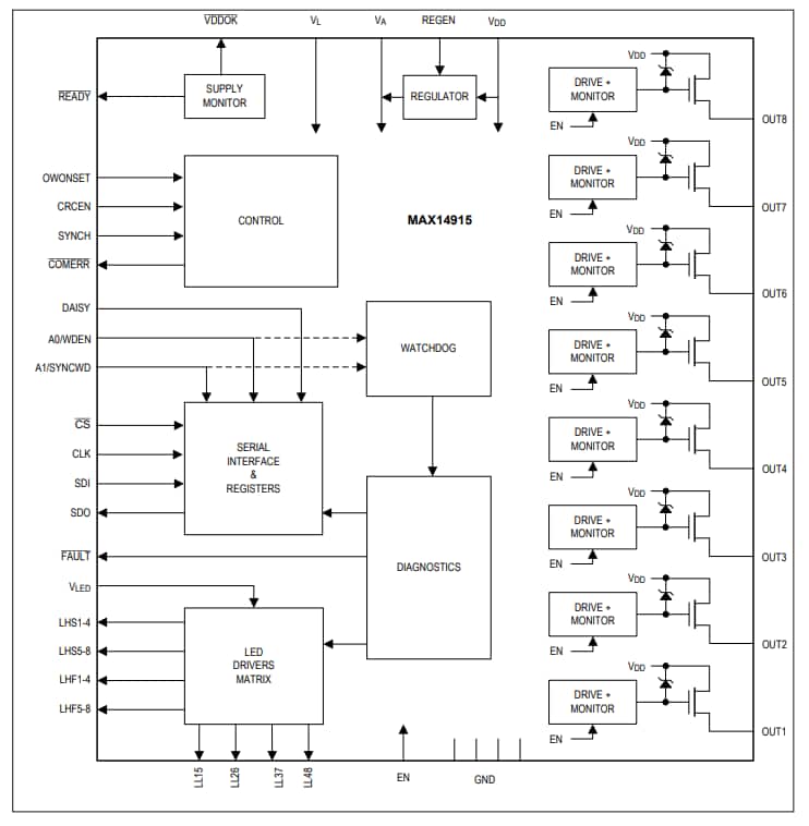
Analog Devices MAX14915 Octal High-Side Switch with Diagnostics is an industrial octal high-side switch that delivers up to 700mA continuous current. This high-side switch features an SPI interface, CRC error checking on the SPI Interface, Watchdog Timer (WDT) for diagnostics checking, and accurate output current limiting. The SPI interface consists of a built-in chip addressing decoder that helps the MAX14915 switch communicate with multiple MAX14915s utilizing a standard SPI chip select.The MAX14915 switch offers open load detection that detects both open-wire/open-load conditions with switches in the on and off states. This switch consists of LED drives that indicate a per-channel fault, status, and supply undervoltage conditions. The MAX14915 switch features a 65V absolute maximum supply range, undervoltage detection with UVLO, loss of VDD or GND protection, and thermal shutdown protection. Typical applications include industrial digital outputs and Programmable Logic Controller (PLC) systems.
Features
- Robustness and smart diagnostics:
- 65V absolute maximum supply voltage range
- Internal clamps for fast inductive load demagnetization
- CRC error checking on the SPI interface
- Watchdog Timer (WDT) for diagnostics checking
- Open-wire detection, both with switches on and off
- Undervoltage detection with UVLO
- Loss of VDD or GND protection
- Thermal shutdown protection
- Integrated ±1kV/42Ω IEC61000-4-5 surge protection
- -40°C to +125°C operating ambient temperature
- Reduces power and heat dissipation:
- 250mΩ (max) on-resistance at TA=125°C
- 2mA supply current
- Accurate output current limiting
- Flexibility:
- Addressable SPI interface reduces isolation cost
- SYNCH input for a simultaneous update of switches
- LED driver matrix for 16LEDs, powered by 24V, 5V, or 3.3V
- Flexible logic voltage interface from 2.5V to 5.5V
- Compact 6mm x 6mm QFN package
Applications
- Industrial digital outputs
- PLC systems
Block Diagram
Typical Application Circuit
Additional Resource
Publicado: 2019-01-02
| Actualizado: 2023-04-24
