Analog Devices / Maxim Integrated MAX14691EVKIT Evaluation Kit

Analog Devices Inc. MAX14691EVKIT Evaluation Kit is a fully assembled and tested circuit board demonstrating the MAX14691 overvoltage, undervoltage, and overcurrent-protection device. The evaluation kit features an external p-channel MOSFET and LED input and output reading. The evaluation kit comes with the MAX14691ATP+ installed but can also be used to evaluate the pin-compatible MAX14692 and MAX14693 devices with IC replacement of U1.

Features

  • 5.5V to 58V operating voltage range
  • External p-Channel MOSFET installed
  • Proven PCB layout
  • Fully assembled and tested

Applications

  • Control and automation
  • High-Power applications
  • Human-machine interfaces
  • Industrial power systems
  • Motion system drives

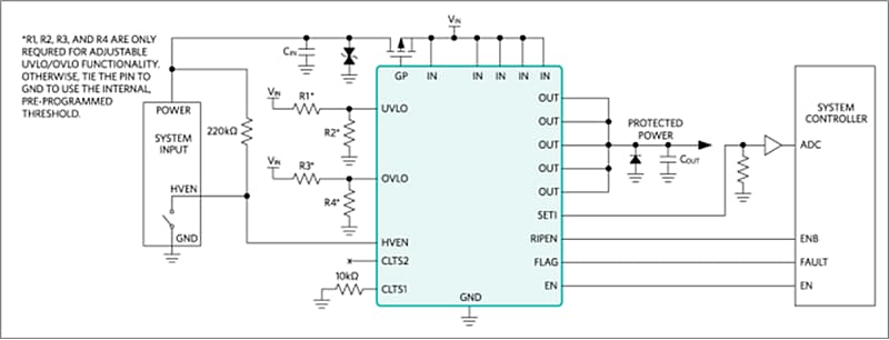
Typical Application

Analog Devices / Maxim Integrated MAX14691EVKIT Evaluation Kit
Publicado: 2019-10-17 | Actualizado: 2023-04-26