Analog Devices Inc. LTC2876 & LTC2877 RS485 Transceivers

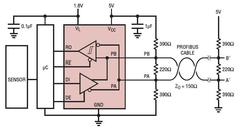
Analog Devices Inc. LTC2876 and LTC2877 RS485 Transceivers are PROFIBUS RS485 transceivers that meet test specifications for PROFIBUS-DP masters and PROFIBUS-DP slaves. The transceivers are fully compatible with IEC 61158-2, type 3: medium attachment unit (MAU). Analog Devices LTC2876/ LTC2877 supports all PROFIBUS data rates up to 12Mbps with operation up to 20Mbps.

Features

  • PROFIBUS IEC 61158-2 compliant
  • Protected from overvoltage line faults to ±60V
  • ±52kV ESD interface pins, ±15kV all other pins
  • ±2kV (Level 4) IEC61000-4-4 fast transient burst
  • ±25V working common-mode range
  • 20Mbps maximum baud rate
  • 1.65V to 5.5V logic supply pin for flexible digital interfacing (LTC2877)
  • Available in small DFN and MSOP packages
  • Fully balanced differential receiver thresholds with 240mV hysteresis for superior noise tolerance and low duty cycle distortion
  • 5V supply can operate down to 3V for low power, low swing applications
  • Receiver failsafe for open, shorted, and terminated conditions
  • -40°C to +125°C operating temperature range

Applications

  • PROFIBUS-DP
  • Industrial communication networks
  • RS485 and RS422 systems
  • 3V low voltage differential signaling

Typical Application

Block Diagram - Analog Devices Inc. LTC2876 & LTC2877 RS485 Transceivers
Publicado: 2017-04-25 | Actualizado: 2022-03-11