Analog Devices Inc. LTC7805 Demo Board DC3138A
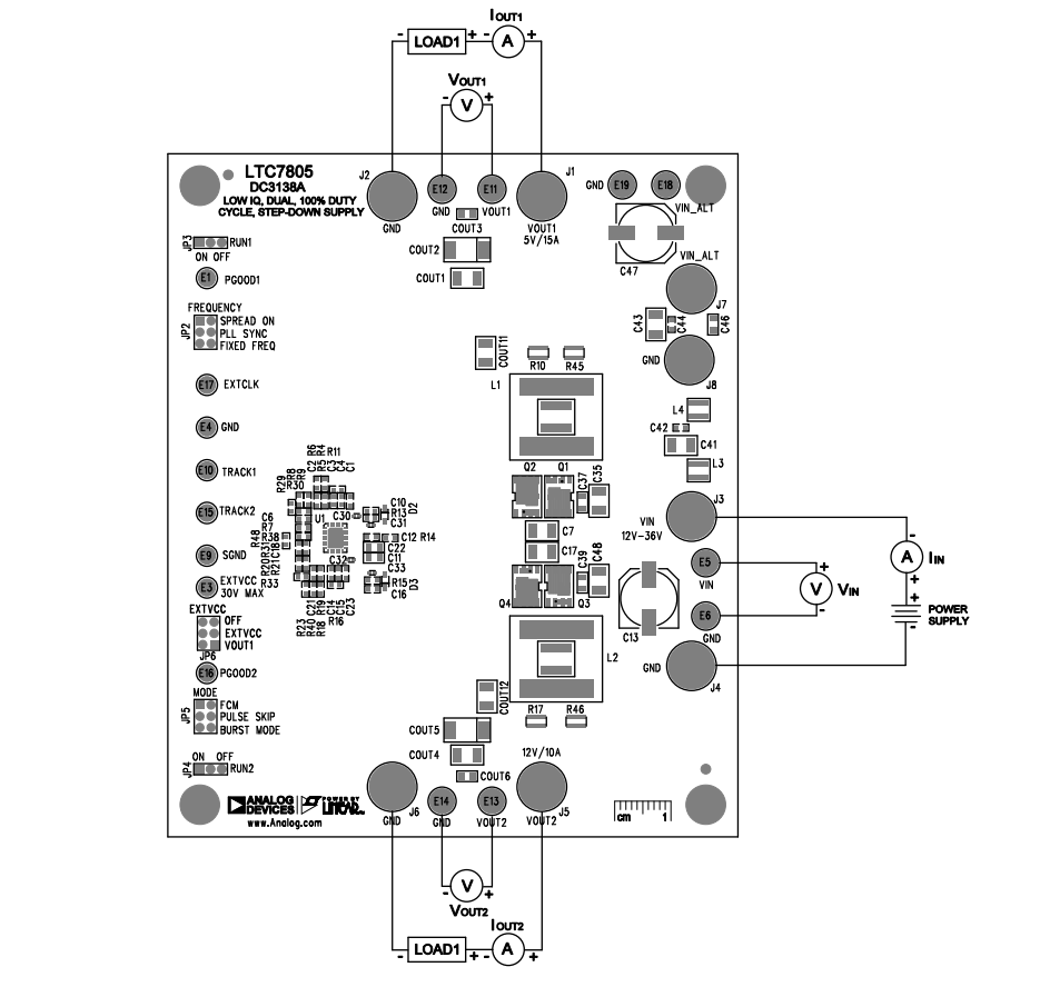
Analog Devices Inc. LTC7805 Demo Board DC3138A demonstrates the LTC7805 dual output step-down DC/DC converter that operates over a 12V to 36V input voltage range. LTC7805 Synchronous Step-Down Controller is a high-performance dual step-down synchronous DC/DC switching regulator controller that drives all N-channel power MOSFET stages. The Demo Board DC3138A features two outputs of 5V at 15A and 12V at 10A and has the LTC7805 mounted. The two channels can be paralleled for higher output current.Features
- FREQUENCY jumper for spread spectrum or external clock
- EXTVCC jumper to use VOUT2, EXTVCC, or other derived VCC
- PGOOD signals for each output
- MODE jumper that allows the converter to run in FCM, pulse-skipping, or Burst Mode® operation
Additional Resources
Front & Back View
Proper Equipment Setup
Publicado: 2021-10-04
| Actualizado: 2022-03-11
