Analog Devices Inc. ADRF57xx Eval Boards for Digital Attenuators
Analog Devices ADRF57xx Evaluation Boards evaluate the ADRF57xx line (ADRF5720, ADRF5721, ADRF5730, and ADRF5731) of digital step attenuators. These boards are 4-layer evaluation boards with 0.5oz (0.7mil) to 1.5oz (2.2mil) plated top and bottom copper layers, separated by dielectric materials. All RF and dc traces are routed on the top copper layer. The inner and bottom layers are grounded planes that provide solid ground for the RF transmission lines. The middle and bottom dielectric materials of these eval boards provide mechanical strength. The overall board thickness is 62mil, which allows 2.4mm RF launchers to be connected at the board edges.Applications
- Industrial scanners
- Test and instrumentation
- 5G millimeter wave cellular infrastructure
- Military radios, radars, and Electronic Counter Measures (ECMs)
- Microwave radios and Very Small Aperture Terminals (VSATs)
Evaluation Board Stackup, Cross Sectional View
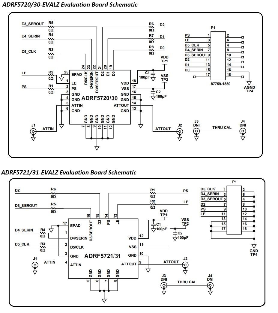
Schematic Diagrams
View Results ( 4 ) Page
| N.º de artículo | Hoja de datos | La Herramienta es para la Evaluación de | Frecuencia |
|---|---|---|---|
| ADRF5720-EVALZ | ![]() |
ADRF5720 | 9 kHz to 40 GHz |
| ADRF5730-EVALZ | ![]() |
ADRF5730 | 100 MHz to 40 GHz |
| ADRF5731-EVALZ | ![]() |
ADRF5731 | 100 MHz to 40 GHz |
| ADRF5721-EVALZ | ![]() |
ADRF5721 | 9 kHz to 40 GHz |
Publicado: 2019-01-07
| Actualizado: 2023-07-27

