Amphenol All Sensors AXCX C-Grade Millivolt Output Pressure Sensors
Amphenol All Sensors AXCX C-Grade Pressure Sensors feature 0 to 0.3PSI to 0 to 100PSI pressure ranges and use a proprietary packaging technology to reduce output offset or common mode errors. These sensors provide a calibrated millivolt output with excellent output offset characteristics. The silicon, micromachined, stress-concentration enhanced structure offers a linear output to measured pressure. The calibrated and temperature-compensated sensors provide an accurate and stable output over a wide temperature range. Amphenol All Sensors AXCX C-Grade Pressure Sensors are a cost-effective variant of millivolt output pressure sensors. The output is ratiometric to the supply voltage, and operation from any DC supply voltage up to +16V is acceptable. Applications include medical instrumentation, environmental controls, and HVAC.Features
- 0 to 4" H2O to 0 to 100 PSI pressure ranges
- 1% linearity version
- Temperature compensated
- Calibrated zero and span
Applications
- Medical instrumentation
- Environmental controls
- HVAC
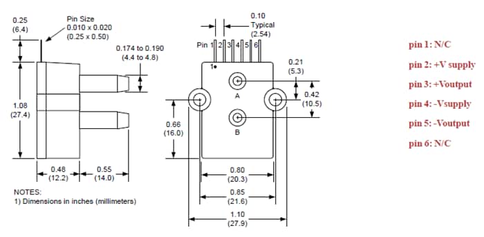
Dimensions
Equivalent Circuit
Publicado: 2019-06-10
| Actualizado: 2023-04-10
