Altera Cyclone® II FPGAs
Altera Cyclone® II 90nm FPGAs are built from the ground up for the low cost and provide a customer-defined feature set for high volume, cost-sensitive applications. Cyclone II FPGAs deliver high-performance and low-power consumption at a cost that rivals that of ASICs. Cyclone II FPGAs extend the low-cost FPGA density range to 68,416 Logic Elements (LEs) and provide up to 622 usable I/O pins and up to 1.1Mbits of embedded memory. These FPGAs are manufactured on 300mm wafers using TSMC's 90nm low-k dielectric process to ensure rapid availability and low cost. By minimizing silicon area, Cyclone II devices can support complex digital systems on a single chip at a cost that rivals that of ASICs. Altera Cyclone II FPGAs offer 60% higher performance and half the power consumption of competing 90nm FPGAs. The low cost and optimized feature set of Cyclone II FPGAs make them ideal solutions for a wide array of automotive, consumer, communications, video processing, test and measurement, and other end-market solutions.
Features
- High-density architecture with 4,608 to 68,416 LEs:
- M4K embedded memory blocks
- Up to 1.1Mbits of RAM available without reducing available logic
- 4,096 memory bits per block (4,608 bits per block including 512 parity bits)
- Variable port configurations of ×1, ×2, ×4, ×8, ×9, ×16, ×18, ×32, and ×36
- Embedded multipliers:
- Up to 150 18- × 18-bit multipliers are each configurable as two independent 9- × 9-bit multipliers with up to 250MHz performance
- Optional input and output registers
- Flexible clock management circuitry:
- Hierarchical clock network for up to 402.5MHz performance
- Up to four PLLs per device provide clock multiplication and division, phase shifting, programmable duty cycle, and external clock outputs, allowing system-level clock management and skew control
Applications
- Automotive
- Consumer
- Communications
- Video processing
- Test and measurement
EP2C20 Block Diagram
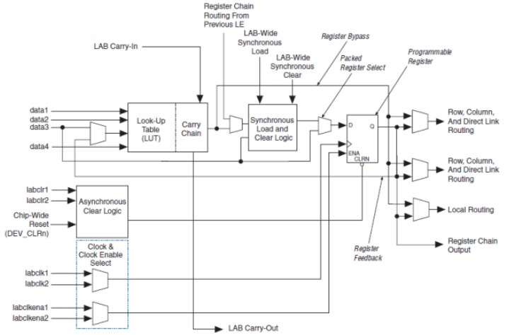
Cyclone 2 LE Figure
Additional Resource
| N.º de artículo | Hoja de datos | Cantidad de elementos lógicos | Cantidad de bloques de secuencias lógicas - LAB | Número de entradas / salidas | Voltaje de alimentación operativo | Frecuencia de trabajo máxima | Total de memoria | Paquete / Cubierta |
|---|---|---|---|---|---|---|---|---|
| EP2C70F896C8N | ![]() |
68416 LE | 4276 LAB | 622 I/O | 1.15 V to 1.25 V | 260 MHz | 1152000 bit | FBGA-896 |
| EP2C70F672C8N | ![]() |
68416 LE | 4276 LAB | 422 I/O | 1.15 V to 1.25 V | 260 MHz | 1152000 bit | FBGA-672 |
| EP2C70F672C7N | ![]() |
68416 LE | 4276 LAB | 422 I/O | 1.15 V to 1.25 V | 260 MHz | 1152000 bit | FBGA-672 |
| EP2C35F484C8 | ![]() |
33216 LE | 2076 LAB | 322 I/O | 1.15 V to 1.25 V | 260 MHz | 483840 bit | FBGA-484 |

