Abracon O-CS8 Series OCXO Oscillators

Abracon O-CS8 Series Oven Controlled Crystal Oscillator (OCXO) Oscillators feature ultra-low phase noise performance, small size, and precision SC-cut crystal. These oscillators offer -10dBc/Hz improvement of close-in phase noise (-105dBc/Hz @10Hz) and an outstanding -15dBc/Hz improvement (-180dBc/Hz @100kHz). The OCXO  oscillators operate at 3.3V or 5V voltage, -20°C to 70°C temperature range and 100MHz frequency. These OCXO oscillators deliver 15dBm sine wave output and up to ±100ppb frequency stability. The O-CS8 oscillators are available in 14mm x 21.08mm x 7.5mm SMD package dimensions. These oscillators are part lead-free and RoHS compliant. Typical applications include instrumentation, radars, high-end synthesizers, test and measurement, telecommunication systems, and data communication.

Features

  • Ultra-low phase noise
  • SC-cut crystal
  • 15dBm sine wave output
  • Extremely small, slim package
  • Part lead-free
  • RoHS compliant

Specifications

  • 3.3V or 5V supply voltage
  • 100MHz frequency
  • -20°C to 70°C operating temperature range
  • 14mm x 21.08mm x 7.5mm dimensions
  • 15pF load capacitance
  • ±50ppb frequency stability
  • Phase noise options:
    • Standard -95dBc/Hz @10Hz offset to -178dBc/Hz @100kHz offset
    • Premium -100dBc/Hz @10Hz offset to -178dBc/Hz @100kHz offset
    • Ultimate -105dBc/Hz @10Hz offset to -180dBc/Hz @100kHz offset

Applications

  • Instrumentation
  • Radar
  • High-end synthesizers
  • Telecommunication systems
  • Data communication
  • Test and measurement

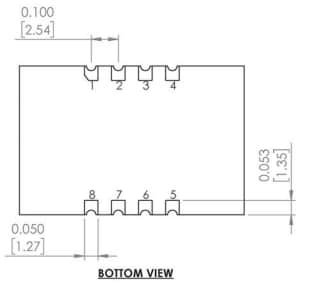
Mechanical Dimension Diagrams

Publicado: 2023-09-12 | Actualizado: 2023-09-18