Ecuador - Marcar Ecuador

Confirme su elección de moneda:

Bench Talk for Design Engineers

Bench Talk

rss

Bench Talk for Design Engineers | The Official Blog of Mouser Electronics


The Competitive Advantage to the Hall Solution Rudy Ramos

Current predictions on the future of Internet of Things (IoT) and the Wearables market indicate exponential growth in the years to come. An analysis done by Morgan Stanley in 2013 stated that “75 billion devices will be connected to the internet of things by 2020.” Undoubtedly, some of this growth will extend to sensors.

 


Figure 1: The proliferation of sensors and actuators will continue. ‘Everything’ will become nodes on a network. The quality of real-time information that becomes available will take the guesswork out of much of capacity planning and decision-making.

This exponential growth in the IoT and Wearables technologies market has refocused the spotlight on sensors. IoT is all about gathering and transferring sensor data over a network without requiring human-to-human or human-to-computer interaction, and Wearables is about IoT as worn by the consumer, which often include tracking information related to health and fitness. In most cases, the raw data comes from the output of a sensor. The data eventually goes to the cloud—the internet, Dropbox, Apple iCloud, Google Drive, etc., where it can be stored, processed and analyzed to become useful information used for decision making.

In the simplest form, a sensor is a device whose purpose is to detect events or changes in its surroundings and then provide a corresponding electrical or optical output signal. A multitude of  sensors already measure just about everything; temperature, pressure, flow, optical, proximity, gas, liquid, humidity, infrared, and magnetic,  yet the IoT and Wearable markets demand even more sensors.

“The proliferation of sensors and actuators will continue. ‘Everything’ will become nodes on a network.”

In a 2014 Pew Research Center article titled “The Internet of Things Will Thrive by 2025,” JP Rangaswami, chief scientist for Salesforce.com, was particularly pointed in describing the benefits that will emerge in this new environment.He states, “The proliferation of sensors and actuators will continue. ‘Everything’ will become nodes on a network. The quality of real-time information that becomes available will take the guesswork out of much of capacity planning and decision-making.” He goes on to say, “Wearable, connected devices will become embedded more and more in our bodies, more like implants, as in the [Google] Glass becoming more like contact lenses.

An edge case example that sheds light on what Rangaswami was alluding to are the wearable products known as “BioStamp,” as well as “eSkin” that collect real-time human performance monitoring stats and are worn like a tattoo. Companies like Fitbit, Samsung, Google and even Ralph Lauren are all substantially vested in the Wearables market and continue to accelerate innovation with smartwatches, fitness trackers, smart eyewear, smart clothing, and medical devices—all being done with the use of many smart sensors.

Reed and Hall-effect Sensors

Sensors that have recently found new life in IoT and Wearable applications and have permeated these new emerging markets are a category of magnetic sensors—Reed and Hall-effect sensors.

Hamlin/Littelfuse’s “Firecracker” line of Reed Sensors, for example, offers a slim cylindrical package that is unobtrusive and suitable for mounting just about anywhere. The Firecracker line gives design engineers a choice of normally open, normally closed or change-over contact configurations. These reed sensors sense position and limits, and are used in security, level and linear actuator applications. They do not require standby power and are thus ultimately efficient; they are hermetically sealed, and with magnetically operated contacts they will continue to work longer than unsealed counterparts.

 

 


Figure 2: With hermetically sealed, and magnetically operated contacts Reed sensors will continue to work long after optical, and other technologies fail due to contamination.

Hall-effect sensors have been around for over one hundred years, only recently coming into wide use again due to the imperative for products with longer battery life, and coupled with the Hall-effect sensor’s robust, encapsulated construction. A Hall element (Fig. 3) is constructed from a thin sheet of conductive semiconductor material with output connections perpendicular to the direction of current flow (I). When the Hall element is subjected to a magnetic field (B), the sensor responds with an output voltage proportional to the magnetic field strength (Hall voltage VH). The voltage output is minuscule (µV) and may require additional electronics to achieve useful voltage levels.

 


Figure 3: Sensing magnetic flux using a Hall-effect sensor.

Hall-effect sensors are capable of measuring many more parameters than magnetic flux, however, such as current, temperature, pressure, and position. Hall-effect sensors are widely used in the automotive, medical, white goods, and industrial industries. Hall-effect sensors offer a more sophisticated alternative to mechanical switches by providing a non-contact magnetic sensing solution with superior sensitivity and stability over temperature. Hall sensors are simple to program and well-suited for harsh environments.

Advantages of the Hall-effect

Newer Hall-effect sensors can operate at extremely low power, in the microamp range, which makes them ideal in an era of portables. The device’s extremely low power consumption allow engineers to develop remote sensing applications that can operate on coin-size battery cells or other forms of alternative energy.

 



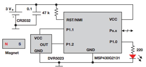
Figure 4: Sub-microamp, intelligent Hall-sensing system using the MPS430 from Texas Instruments.

Features found in present day Hall-effect sensors, combined with the ultra-low power capabilities of today’s MCUs, permit smart physical presence-detection systems (such as door or window security) to remain directly powered from a single low-cost CR2032 coin cell for over two decades of continuous operation.

 

 


Figure 5: Typical components of a Hall-effect sensor for a speed sensing application.

Additionally, unlike optical sensors, Hall-effect sensors are not susceptible to errors caused by obscuring of the optical windows by dust or other contaminants. Hall-effect sensors are a rugged alternative to reed relays in some applications, as Hall Sensors have no moving parts and are less sensitive to vibration. Hall-effect sensors are now being used in consumer portables, replacing conventional mechanical switches, since the sensor can not only detect that a button has been pushed, for instance, but can also determine the position of the button accurately. Smartphones, cameras, and game controllers can benefit from this multi-function sensor to control extra functions like “half-press” and “full-press” of a button in cameras, for instance, or in sophisticated game controllers that can sense player hand movements in new ways, adding additional control features.

The Future of Hall-effect Sensors

Will a demand for IoT devices increase demand for Hall-effect sensors? The small and robust form factor, lower power consumption, and low cost are all commiserate requirements with IoT. The size, weight, power, and cost or “SWaP-C” of a device, particularly sensors, are all major considerations for IoT. The fact that Hall-effect sensors meet most, if not all of these requirements for IoT infers that Hall-effect sensors show market promise. In this case, it’s not your grandfather’s Hall-effect sensor; it’s just about innovation with existing technology.

References

Brandon Lewis. (2014, 6 6). Sensor ICs, SWaP-C, and the IoT. Retrieved from Embedded Computing Design: http://embedded-computing.com/articles/sensor-ics-swap-c-the-iot/#

EETimes. (2016). IoT Library: Intelligent Hall-Effect Sensors Open New Application Doors http://www.eetimes.com/author.asp?section_id=31&doc_id=1329146

Embargoed for release at 10 a.m., May 14, 2014. (n.d.). Retrieved from http://www.pewinternet.org/files/2014/05/PIP_Internet-of-things_051414.pdf

Honeywell. (2016). Hall-effect Sensing and Application. Retrieved from Honeywell | Sensing and Control: http://sensing.honeywell.com/honeywell-sensing-sensors-magnetoresistive-hall-effect-applications-005715-2-en.pdf

Khagendra Thapa. (2015). Making Switches Smarter with True micropower Hall-effect Sensors. Retrieved from Diodes Incorporated: http://www.diodes.com/smart_switches

Sub-microamp, Intelligent Hall-Effect Sensing Delivers 20 ... (n.d.). Retrieved from http://www.ti.com/lit/wp/slyy058a/slyy058a.pdf



« Back


Rudy is the Project Manager for the Technical Content Marketing team at Mouser Electronics, accountable for the timely delivery of the Application and Technology sites from concept to completion. He has 30 years of experience working with electromechanical systems, manufacturing processes, military hardware, and managing domestic and international technical projects. He holds an MBA from Keller Graduate School of Management with a concentration in Project Management. Prior to Mouser, he worked for National Semiconductor and Texas Instruments. Rudy may be reached at rudy.ramos@mouser.com.


All Authors

Mostrar más Mostrar más
Ver mensajes por fecha

Etiqueta